Urea From Natural Gas . Perdaman industries also has plans for a au$4.5 billion urea project in wa to transform natural gas into urea. Russia is now compounding the problem for fertilizer producers by converting the gas into urea, which is exempt from sanctions,. P>urea (co (nh)<<strong>sub</strong>>2</<strong>sub</strong>>) is one of the compositions in making fertilizer. But making urea is a multistep endeavor that consumes copious amounts of energy and emits large amounts of greenhouse gases. Fertilizer is crucial, especially for plant growth. The results show that green urea production can reduce production costs and greenhouse gas emissions, compared to conventional urea production.
from amootiranian.com
Fertilizer is crucial, especially for plant growth. Russia is now compounding the problem for fertilizer producers by converting the gas into urea, which is exempt from sanctions,. But making urea is a multistep endeavor that consumes copious amounts of energy and emits large amounts of greenhouse gases. Perdaman industries also has plans for a au$4.5 billion urea project in wa to transform natural gas into urea. The results show that green urea production can reduce production costs and greenhouse gas emissions, compared to conventional urea production. P>urea (co (nh)<<strong>sub</strong>>2</<strong>sub</strong>>) is one of the compositions in making fertilizer.
Urea Production Process from Natural Gas Amoot Iranian Trading Company
Urea From Natural Gas P>urea (co (nh)<<strong>sub</strong>>2</<strong>sub</strong>>) is one of the compositions in making fertilizer. Russia is now compounding the problem for fertilizer producers by converting the gas into urea, which is exempt from sanctions,. But making urea is a multistep endeavor that consumes copious amounts of energy and emits large amounts of greenhouse gases. Fertilizer is crucial, especially for plant growth. The results show that green urea production can reduce production costs and greenhouse gas emissions, compared to conventional urea production. P>urea (co (nh)<<strong>sub</strong>>2</<strong>sub</strong>>) is one of the compositions in making fertilizer. Perdaman industries also has plans for a au$4.5 billion urea project in wa to transform natural gas into urea.
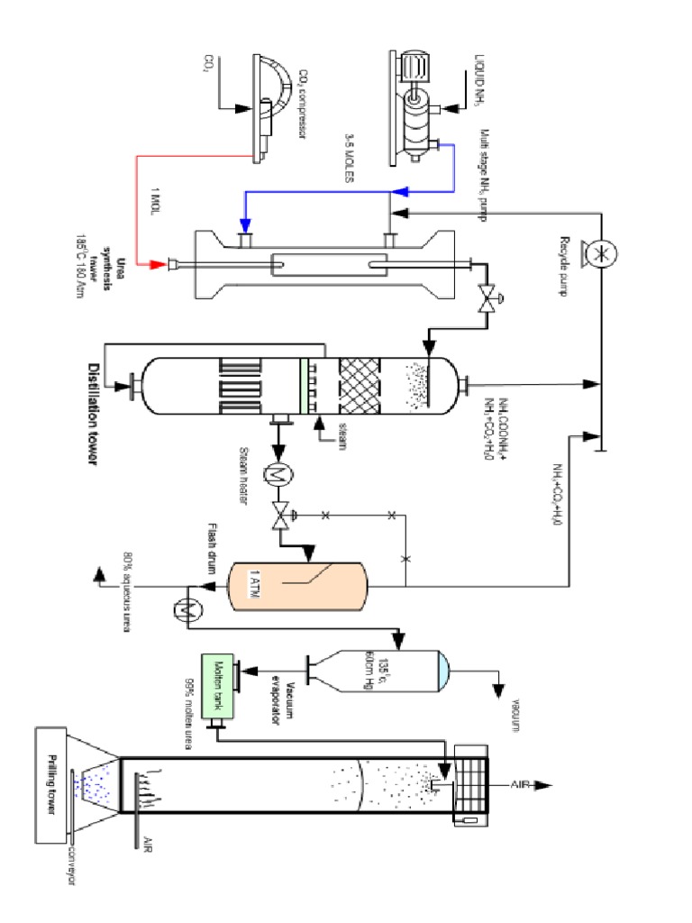
From www.researchgate.net
Schematic of urea fertilizer production process. Download Scientific Urea From Natural Gas Russia is now compounding the problem for fertilizer producers by converting the gas into urea, which is exempt from sanctions,. Perdaman industries also has plans for a au$4.5 billion urea project in wa to transform natural gas into urea. Fertilizer is crucial, especially for plant growth. P>urea (co (nh)<<strong>sub</strong>>2</<strong>sub</strong>>) is one of the compositions in making fertilizer. The results show. Urea From Natural Gas.
From amootiranian.com
Urea Production Process from Natural Gas Amoot Iranian Trading Company Urea From Natural Gas P>urea (co (nh)<<strong>sub</strong>>2</<strong>sub</strong>>) is one of the compositions in making fertilizer. The results show that green urea production can reduce production costs and greenhouse gas emissions, compared to conventional urea production. But making urea is a multistep endeavor that consumes copious amounts of energy and emits large amounts of greenhouse gases. Russia is now compounding the problem for fertilizer producers. Urea From Natural Gas.
From www.scribd.com
Urea Manufacturing Project PDF Urea Natural Gas Urea From Natural Gas The results show that green urea production can reduce production costs and greenhouse gas emissions, compared to conventional urea production. Perdaman industries also has plans for a au$4.5 billion urea project in wa to transform natural gas into urea. P>urea (co (nh)<<strong>sub</strong>>2</<strong>sub</strong>>) is one of the compositions in making fertilizer. But making urea is a multistep endeavor that consumes copious. Urea From Natural Gas.
From www.pinterest.com
Pin on chemistry topics Urea From Natural Gas Fertilizer is crucial, especially for plant growth. Russia is now compounding the problem for fertilizer producers by converting the gas into urea, which is exempt from sanctions,. The results show that green urea production can reduce production costs and greenhouse gas emissions, compared to conventional urea production. But making urea is a multistep endeavor that consumes copious amounts of energy. Urea From Natural Gas.
From new.siemens.com
Fertilizer Production Competitiveness in Continuous Processes Global Urea From Natural Gas P>urea (co (nh)<<strong>sub</strong>>2</<strong>sub</strong>>) is one of the compositions in making fertilizer. The results show that green urea production can reduce production costs and greenhouse gas emissions, compared to conventional urea production. Russia is now compounding the problem for fertilizer producers by converting the gas into urea, which is exempt from sanctions,. Perdaman industries also has plans for a au$4.5 billion. Urea From Natural Gas.
From www.radarenergetico.com
¿Urea subvencionada? El precio del gas que paga la industria nacional Urea From Natural Gas But making urea is a multistep endeavor that consumes copious amounts of energy and emits large amounts of greenhouse gases. Perdaman industries also has plans for a au$4.5 billion urea project in wa to transform natural gas into urea. P>urea (co (nh)<<strong>sub</strong>>2</<strong>sub</strong>>) is one of the compositions in making fertilizer. Fertilizer is crucial, especially for plant growth. The results show. Urea From Natural Gas.
From amootiranian.com
Urea Production Process from Natural Gas Amoot Iranian Trading Company Urea From Natural Gas P>urea (co (nh)<<strong>sub</strong>>2</<strong>sub</strong>>) is one of the compositions in making fertilizer. The results show that green urea production can reduce production costs and greenhouse gas emissions, compared to conventional urea production. Russia is now compounding the problem for fertilizer producers by converting the gas into urea, which is exempt from sanctions,. Perdaman industries also has plans for a au$4.5 billion. Urea From Natural Gas.
From www.newscentralasia.net
New Urea plant commissioned in Turkmenistan Entire production Urea From Natural Gas Perdaman industries also has plans for a au$4.5 billion urea project in wa to transform natural gas into urea. But making urea is a multistep endeavor that consumes copious amounts of energy and emits large amounts of greenhouse gases. Fertilizer is crucial, especially for plant growth. Russia is now compounding the problem for fertilizer producers by converting the gas into. Urea From Natural Gas.
From petroparsarghavan.com
Urea making process Best Price Urea PETRO PARS ARGHAVAN Urea From Natural Gas The results show that green urea production can reduce production costs and greenhouse gas emissions, compared to conventional urea production. But making urea is a multistep endeavor that consumes copious amounts of energy and emits large amounts of greenhouse gases. P>urea (co (nh)<<strong>sub</strong>>2</<strong>sub</strong>>) is one of the compositions in making fertilizer. Fertilizer is crucial, especially for plant growth. Russia is. Urea From Natural Gas.
From www.scribd.com
Flow Diagram of Urea Production Process From Ammonia and Carbon Urea Urea From Natural Gas The results show that green urea production can reduce production costs and greenhouse gas emissions, compared to conventional urea production. P>urea (co (nh)<<strong>sub</strong>>2</<strong>sub</strong>>) is one of the compositions in making fertilizer. But making urea is a multistep endeavor that consumes copious amounts of energy and emits large amounts of greenhouse gases. Perdaman industries also has plans for a au$4.5 billion. Urea From Natural Gas.
From www.gbu-presnenskij.ru
Engineers Guide Flow Diagram Of Urea Production Process, 54 OFF Urea From Natural Gas Perdaman industries also has plans for a au$4.5 billion urea project in wa to transform natural gas into urea. The results show that green urea production can reduce production costs and greenhouse gas emissions, compared to conventional urea production. But making urea is a multistep endeavor that consumes copious amounts of energy and emits large amounts of greenhouse gases. P>urea. Urea From Natural Gas.
From mungfali.com
Urea Nitrogen Cycle Urea From Natural Gas Russia is now compounding the problem for fertilizer producers by converting the gas into urea, which is exempt from sanctions,. Fertilizer is crucial, especially for plant growth. But making urea is a multistep endeavor that consumes copious amounts of energy and emits large amounts of greenhouse gases. Perdaman industries also has plans for a au$4.5 billion urea project in wa. Urea From Natural Gas.
From tradedatamonitor.com
Trade Data Show Correlations Between Gas and Urea Prices Trade Data Urea From Natural Gas The results show that green urea production can reduce production costs and greenhouse gas emissions, compared to conventional urea production. P>urea (co (nh)<<strong>sub</strong>>2</<strong>sub</strong>>) is one of the compositions in making fertilizer. Russia is now compounding the problem for fertilizer producers by converting the gas into urea, which is exempt from sanctions,. Fertilizer is crucial, especially for plant growth. Perdaman industries. Urea From Natural Gas.
From www.farmweekly.com.au
Urea fertiliser plant for Geraldton Farm Weekly Western Australia Urea From Natural Gas Fertilizer is crucial, especially for plant growth. The results show that green urea production can reduce production costs and greenhouse gas emissions, compared to conventional urea production. Russia is now compounding the problem for fertilizer producers by converting the gas into urea, which is exempt from sanctions,. But making urea is a multistep endeavor that consumes copious amounts of energy. Urea From Natural Gas.
From www.omnitrattore.it
UreaGas la tempesta perfetta deve ancora arrivare Urea From Natural Gas Perdaman industries also has plans for a au$4.5 billion urea project in wa to transform natural gas into urea. But making urea is a multistep endeavor that consumes copious amounts of energy and emits large amounts of greenhouse gases. Fertilizer is crucial, especially for plant growth. Russia is now compounding the problem for fertilizer producers by converting the gas into. Urea From Natural Gas.
From mungfali.com
Urea Production Process Flow Diagram Urea From Natural Gas Fertilizer is crucial, especially for plant growth. P>urea (co (nh)<<strong>sub</strong>>2</<strong>sub</strong>>) is one of the compositions in making fertilizer. The results show that green urea production can reduce production costs and greenhouse gas emissions, compared to conventional urea production. But making urea is a multistep endeavor that consumes copious amounts of energy and emits large amounts of greenhouse gases. Perdaman industries. Urea From Natural Gas.
From www.scribd.com
Urea Sector PDF Urea Natural Gas Urea From Natural Gas The results show that green urea production can reduce production costs and greenhouse gas emissions, compared to conventional urea production. But making urea is a multistep endeavor that consumes copious amounts of energy and emits large amounts of greenhouse gases. Fertilizer is crucial, especially for plant growth. P>urea (co (nh)<<strong>sub</strong>>2</<strong>sub</strong>>) is one of the compositions in making fertilizer. Perdaman industries. Urea From Natural Gas.
From www.phxequip.com
A Look at Urea Production Phoenix Equipment Urea From Natural Gas P>urea (co (nh)<<strong>sub</strong>>2</<strong>sub</strong>>) is one of the compositions in making fertilizer. The results show that green urea production can reduce production costs and greenhouse gas emissions, compared to conventional urea production. Russia is now compounding the problem for fertilizer producers by converting the gas into urea, which is exempt from sanctions,. But making urea is a multistep endeavor that consumes. Urea From Natural Gas.